Каталог
Купить в лизинг Сравнить Избранное
Модель:
CNCT-800
Производитель: GSA
  • Описание
  • Комментарии
  • Отзывы

Компактный дизайн позволяет устанавливать на станки с длиной стола от 1 м. Простая установка на традиционные 3-осевые станки. С помощью 1-осевого контроллера GSA+, подключаемого к системе ЧПУ через М-коды для программируемого наклона стола, можно производить 5-осевую обработку без изменения конструкции станка и его электрооборудования.

По требованию заказчика стол может быть оснащен как гидравлическим, так и пневматическим зажимным устройством. Для повышения точности позиционирования может быть установлен фотоэлектрический датчик.


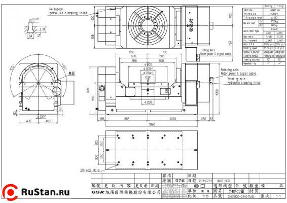
Технические характеристики CNCT-800

Параметр Ед. изм. Значение
Диаметр мм 800
Высота центра мм 650
Общая высота мм 1050
Вес CNCT-800 нетто (без двигателя) кг 4850
Центральное отверстие мм 254Н7
Ширина Т-пазов мм 20Н7
Ширина направляющего сухаря мм 22Н7

Поворот и наклон
Параметр Ед. изм. Поворот Наклон
Сервомотор Meldas НF-354S НF-453S
Сервомотор Fanuc a22i a30i
Сервомотор Siemens 1FK7101 1FK7103
Сервомотор Heidenhein QSY155D QSY155F
Передаточное число 1:180 1:720
Угол наклона град -120…120 -120…120
Минимальный угол град 0,001 0,001
Максимальные обороты об/мин 11.1 2.7
Усилие пневмозажима кг*м - -/1250
Усилие гидрозажима кг*м 1000 -
Точность позиционирования 15” 30”
Повторяемость с ±4”

Максимальные нагрузки
Параметр Схема Ед. изм. Значение
Максимальная вертикальная нагрузка Максимальная вертикальная нагрузка кг W = 600
Максимальная горизонтальная нагрузка Максимальная горизонтальная нагрузка кг W = 1000
Максимальное радиальное усилие Максимальное радиальное усилие кг F = 2600
Максимальное радиальное усилие Максимальное радиальное усилие кг*м FxL = 1250
Максимальное радиальное усилие Максимальное радиальное усилие кг*м FxL = 460
Максимальная рабочая инерция Максимальная рабочая инерция кг*см*сек2 1000

Комментарии и вопросы:

Комментариев пока нет, но ваш может быть первым.
Разметить комментарий или вопрос

Отзывы о CNCT-800:

Отзывов пока нет, но ваш может быть первым.

Компания-изготовитель оставляет за собой право на изменение комплектации и места производства товара без уведомления!

Обращаем Ваше внимание на то, что информация на сайте не является публичной офертой!

Обозначение GSA используется исключительно для идентификации товаров соответствующего производителя. ООО "Компания "РуСтан" не является правообладателем товарного знака GSA и не аффилировано с правообладателем.

Вверх