Каталог
Купить в лизинг Сравнить Избранное
Модель:
CNCT-100
Производитель: GSA
  • Описание
  • Комментарии
  • Отзывы

Компактный дизайн позволяет устанавливать на станки с длиной стола от 1 м. Простая установка на традиционные 3-осевые станки. С помощью 1-осевого контроллера GSA+, подключаемого к системе ЧПУ через М-коды для программируемого наклона стола, можно производить 5-осевую обработку без изменения конструкции станка и его электрооборудования.

По требованию заказчика стол может быть оснащен как гидравлическим, так и пневматическим зажимным устройством. Для повышения точности позиционирования может быть установлен фотоэлектрический датчик.


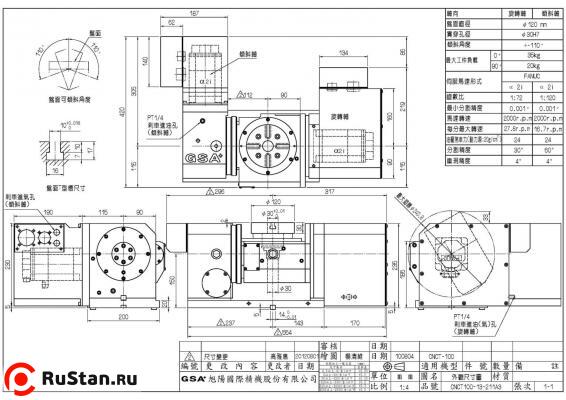
Технические характеристики CNCT-100

Параметр Ед. изм. Значение
Диаметр мм 120
Высота центра мм 150
Общая высота мм 235
Вес CNCT-100 нетто (без двигателя) кг 105
Центральное отверстие мм 30Н7
Ширина Т-пазов мм 10Н7
Ширина направляющего сухаря мм 14Н7

Поворот и наклон
Параметр Ед. изм. Поворот Наклон
Сервомотор Meldas НF-75T НF-75T
Сервомотор Fanuc a2i a2i
Сервомотор Siemens 1FK7042 1FK7042
Сервомотор Heidenhein QSY96A QSY96A
Передаточное число 1:72 1:120
Угол наклона град -20…120 -20…120
Минимальный угол град 0,001 0,001
Максимальные обороты об/мин 27.8 16.7
Усилие пневмозажима кг*м 12 12
Усилие гидрозажима кг*м 24 24
Точность позиционирования 30” 60”
Повторяемость с ±4”

Максимальные нагрузки
Параметр Схема Ед. изм. Значение
Максимальная вертикальная нагрузка Максимальная вертикальная нагрузка кг W = 20
Максимальная горизонтальная нагрузка Максимальная горизонтальная нагрузка кг W = 35
Максимальное радиальное усилие Максимальное радиальное усилие кг F = 400
Максимальное радиальное усилие Максимальное радиальное усилие кг*м FxL = 24
Максимальное радиальное усилие Максимальное радиальное усилие кг*м FxL = 30
Максимальная рабочая инерция Максимальная рабочая инерция кг*см*сек2 0.87

Комментарии и вопросы:

Комментариев пока нет, но ваш может быть первым.
Разметить комментарий или вопрос

Отзывы о CNCT-100:

Отзывов пока нет, но ваш может быть первым.

Компания-изготовитель оставляет за собой право на изменение комплектации и места производства товара без уведомления!

Обращаем Ваше внимание на то, что информация на сайте не является публичной офертой!

Вверх